| Sign In | Join Free | My components-electronic.com |
|
Brand Name : Dowis
Model Number : EF32, EF series
Certification : CE, UL, RoHs, ISO9001, 16949
Place of Origin : CN
MOQ : 1000pcs
Payment Terms : T/T, L/C
Delivery Time : 3-4Weeks
Packaging Details : Carton Box
Model : DW3533
Type : EF
INDUCTANCE : 1.25mH,325uH
LEAKAGE IND : 7uH
TURNS RATIO : 34:9:9:5:5Ts
Customized : Yes
EF32 High-Frequency Transformer Manufacturer Customized DW3533
High Frequency Transformer Features:
1. Low profile.
2. Low D.C. resistance and large permissible D.C. current.
3. Little co-planarity due to special design of construction.
4. Wire burst resistant due to special construction.
5. This can be surface mount assembly and reflow soldering is also possible.
6. Available for mounting machine due to supply in a form of embossed tape carrying.
1. APPEARANCE & DIMENSIONS (UNIT: MM)

2. CIRCUIT DIAGRAM

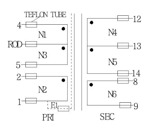
3. CONSTRUCTION DIAGRAM

4. ELECTRICAL CHARACTERISTIC
| 序号 No. | 项目 ITEM | 测试端 TERMINALS | 技术要求 SPECIFICATIONS | 公差 TOLERANCE | 单位 UNIT | 测试条件 TESTING CONDITION | 测试仪器 TESTING |
| 1 | 电感量 INDUCTANCE | 4~5 | 1.15 | ±0.25 | mH | 100KHz/1V | CH3252 |
| 12~14 | 325 | ±65 | uH | ||||
| 2 | 漏 感 LEAKAGE IND | 4~5 | 7.0 | MAX | uH | 100KHz/1V Other pins shorted | CH3252 |
| 3 | 直流电阻 RESISTANCE | 4~5 | 64 | MAX | mΩ | AT 25℃ | CH2512 |
| 12~14 | 58 | MAX | mΩ | ||||
| 8~9 | 70 | MAX | mΩ | ||||
| 2~1 | 96 | MAX | mΩ | ||||
| 4 | 耐压测试 HI-POT | PRI VS SEC | AC,3000 | / | V | 50Hz/5mA/2Sec | CJ2670 |
| PRI&SEC VS Core | AC,1000 | / | V | 50Hz/5mA/2Sec | |||
| 5 | 匝比极性 TURNS RATIO | ALL winding | 34:9:9:5:5 | ±0.2 | Ts | 20KHz/5V | CH3252 |
5. WINDING SPECIFICATION
| 序号No. | 起头 START | 收尾 END | 线材 WIRE(mm) | 圈数 TURNS | 绕制方式 WINDING | 绝缘胶带(mm) INSULATION TAPE(mm) | 绝缘挡墙(mm) MARGIN TAPE(mm) | 套管 TFL TUBE | ||||
| MATERIAL | Thick/Width | Ts | Pin1 | Pin14 | Ts | |||||||
| N1 | 4 | ROD | 2UEW-B, Φ0.90×1P | 17 | Closed-1 layer | Black TAPE | 0.05/20.5 | 1 | / | 2.5mm×3L | 2 | 18L×24mm |
| N2 | 2 | 1 | 2UEW-B, Φ0.30×1P | 5 | Spaced -1 layers | Black TAPE | 0.05/20.5 | 1 | / | 2.5mm×1L | 1 | 28L×20mm |
| N3 | ROD | 5 | 2UEW-B, Φ0.90×1P | 17 | Closed -1 layer | Black TAPE | 0.05/20.5 | 1 | / | 2.5mm×3L | 2 | 18L×24mm |
| E1 | 1 | / | 背胶铜箔:t0.05×17mm | 0.75 | Closed -1 layers | Black TAPE | 0.05/20.5 | 3 | / | 2.5mm×1L | 1 | 28L×25mm |
| N4 | 12 | 13 | TIW-B, Φ0.80×1P | 9 | 2wire in hand Closed -1 layers | Black TAPE | 0.05/20.5 | 1 | / | / | / | 18L×24mm |
| N5 | 13 | 14 | TIW-B, Φ0.80×1P | 9 | ||||||||
| N6 | 8 | 9 | TIW-B, Φ0.40×1P | 5 | Spaced -1 layers | Black TAPE | 0.05/20.5 | 3 | / | / | / | 23L×18mm |
| *挡墙层数参考,与绕线高度平齐为要(Margin barrier tape layer of the reference, and winding same height as you want) | ||||||||||||
Shenzhen Dowis Electronics Co., Ltd. is a professional manufacturer of electronic transformers, inductors, and filters integrating R&D, production, and sales. It is a national high-tech enterprise and has passed the IATF16949:2016 automotive industry quality management system certification, the product has passed the "UL""CQC" and other safety certifications. The products are widely used in communication equipment, new energy vehicles, industrial control equipment, high-power LED drives and other market areas. The industry has high visibility. In addition to the domestic market, but also exported to many countries in Europe and the United States.
In order to further expand production capacity, it has set up a special test area construction area in zhaoqing YueGui cooperation in 2018 of 14000 square meters of manufacturing center named ZhaoQing Sheng Xiang electronic technology co., Ltd. Its management technical team has rich experience in cooperating with customers from well-known domestic enterprises and overseas. The design of products can fully follow customer’s needs and services with a good quality control system, and it has been recognized by many famous enterprises as the core suppliers. We look forward to cooperating with you.
|
|
EF32 High Frequency Transformer Images |